Главная → Каталог → Системы линейного перемещения → Линейные подшипники → Линейные подшипники в сборе с корпусом → TBR-UU
TBR-UU
Уточняйте наличие и стоимость продукции по телефону: +7 (473) 239-12-33.
Приносим извинения за неудобства.
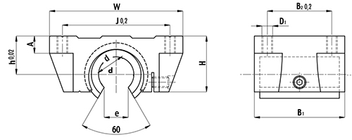
| Наименование | Артикул | Производитель | B, мм | B1, мм | Тип | A, мм | Вес, кг | h, мм | e, мм | W, мм | D1, мм | Внутренний диаметр d, мм | Динамическая нагрузка C, Н | Статическая нагрузка C0, Н | B2 мм |
|---|---|---|---|---|---|---|---|---|---|---|---|---|---|---|---|
| Линейный подшипник в сборе с корпусом TBR20-UU TECHNIX | TBR20UUTECHNIX | TECHNIX | 54 | 51 | TBR-UU | 10 | 0,3 | 21 | 10 | 68 | M6 | 20 | 784 | 1176 | 37 |
| Линейный подшипник в сборе с корпусом TBR25-UU TECHNIX | TBR25UUTECHNIX | TECHNIX | 65 | 65 | TBR-UU | 14,6 | 0,6 | 28 | 11,5 | 82 | M8 | 25 | 1568 | 2352 | 50 |
| Линейный подшипник в сборе с корпусом TBR16-UU TECHNIX | TBR16UUTECHNIX | TECHNIX | 50 | 42 | TBR-UU | 8 | 0,18 | 18 | 10 | 62 | M5 | 16 | 392 | 490 | 30 |
| Линейный подшипник в сборе с корпусом TBR30-UU TECHNIX | TBR30UUTECHNIX | TECHNIX | 75 | 75 | TBR-UU | 13,5 | 0,9 | 33,5 | 14 | 91 | M8 | 30 | 1764 | 2940 | 60 |
Линейный подшипник в сборе с корпусом предназначен для линейного перемещения по прецизионному валу соответствующего диаметра. Конструкция подшипника повышает его надежность и ресурс. Изделие имеет малый температурный нагрев. Благодаря высокой плавности перемещения способно выдерживать большие нагрузки. Корпус сделан из алюминия.
Имеют по внутреннему диаметру канавки, заполненные шариками в качестве тел качения. Запрессовываются (по наружному диаметру) в корпус исполнительного механизма и вместе с ним перемещаются по валу. В сборе с опорами и валами составляют системы линейного перемещения.

































