Разъемные корпуса
Уточняйте наличие и стоимость продукции по телефону: +7 (473) 239-12-33.
Приносим извинения за неудобства.
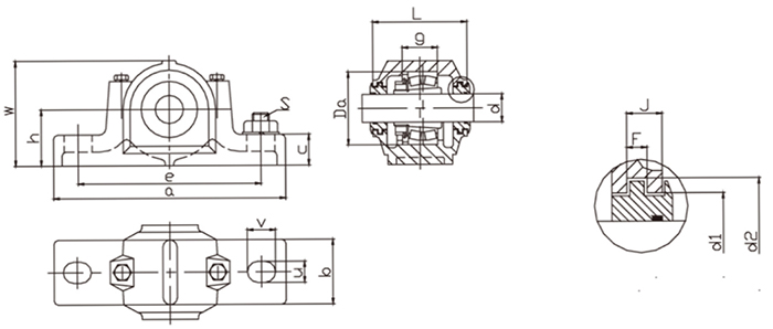
Разъёмные корпуса износостойкие и прочные. Сделаны из литого чугуна. Защищены от попадания инородных предметов системой уплотнителей. Самоустанавливающиеся: центрируются в процессе монтажа. Это позволяет сгладить неточности и достичь соосности. Благодаря разъемной конструкции позволяют использовать различные виды подшипников и систем уплотнения.
| Наименование | Артикул | Производитель | Диаметр вала d, мм | Вес, кг | Материал | d2, мм | d1, мм | e, мм | H, мм | Стопорное кольцо | F, мм | L, мм | W, мм | a, мм | b, мм | c, мм | g, мм | Da, мм | u, мм | v, мм | J, мм | S | Встраиваемый подшипник | Втулка |
|---|---|---|---|---|---|---|---|---|---|---|---|---|---|---|---|---|---|---|---|---|---|---|---|---|
| Разъемный корпус SNL513-611 TECHNIX | SNL513611TECHNIX | TECHNIX | 60 | 6,5 | Чугун | 85,5 | 77 | 230 | 80 | SR120X14 SR120X10 | 5 | 110 | 149 | 275 | 80 | 30 | 51 | 120 | 18 | 24 | 8,5 | M16 | 1213K 22213K | H213 H313 |
| Разъемный корпус SNL509 TECHNIX | SNL509TECHNIX | TECHNIX | 40 | 2,9 | Чугун | 64,5 | 56,5 | 170 | 60 | SR85X5.5 SR85X7 |
5 | 85 | 109 | 205 | 60 | 25 | 30 | 85 | 15 | 20 | 8,5 | М12 | 1209K 22209K | H209 H309 |
| Разъемный корпус SNL516-613 TECHNIX | SNL516613TECHNIX | TECHNIX | 70 | Чугун | 101 | 92,5 | 260 | 95 | SR140X16, SR140X12.5 | 5 | 120 | 177 | 315 | 90 | 32 | 58 | 140 | 22 | 28 | 10,5 | M20 | 1216K, 22216K | H216, H316 | |
| Разъемный корпус SNL515-612 TECHNIX | SNL515612TECHNIX | TECHNIX | 65 | 7 | Чугун | 95,5 | 87 | 230 | 80 | SR130X15.5 SR130X12.5 | 5 | 115 | 155 | 280 | 80 | 30 | 56 | 130 | 18 | 24 | 8,5 | M16 | 1215K 22215K | H215 H315 |
| Разъемный корпус SNL512-610 TECHNIX | SNL512610TECHNIX | TECHNIX | 55 | 5,1 | Чугун | 80,5 | 72 | 210 | 70 | SR110X13 SR110X10 |
5 | 105 | 134 | 255 | 70 | 30 | 48 | 110 | 18 | 24 | 8,5 | M16 | 1212K 22212K | H212 H312 |
| Разъемный корпус SNL522-619 TECHNIX | SNL522619TECHNIX | TECHNIX | 100 | 16,38 | Чугун | 157,5 | 147,5 | 350 | 125 | SR200X21 SR200X13.5 SR200X10.2 | 6 | 175 | 242 | 410 | 120 | 45 | 80 | 200 | 26 | 32 | 11,5 | М24 | 1222K 22222K 23222K | H222 H322 H2322 |
| Разъемный корпус SNL519-616 TECHNIX | SNL519616TECHNIX | TECHNIX | 85 | Чугун | 141 | 131 | 290 | 112 | SR170X18, SR170X12.5 | 6 | 145 | 212 | 345 | 100 | 35 | 68 | 170 | 22 | 28 | 11,5 | М20 | 1219K, 22219K | H219, H319 |
|
| Разъемный корпус SNL511-609 TECHNIX | SNL511609TECHNIX | TECHNIX | 50 | 4,759 | Чугун | 75,5 | 67 | 210 | 70 | SR100X11.5 SR100X9.5 | 5 | 95 | 128 | 255 | 70 | 28 | 44 | 100 | 18 | 24 | 8,5 | M16 | 1211K 22211K | H211 H311 |
| Разъемный корпус SNL517 TECHNIX | SNL517TECHNIX | TECHNIX | 75 | 10 | Чугун | 106 | 97,5 | 260 | 95 | SR150X16.5 SR150X12.5 | 5 | 125 | 183 | 320 | 90 | 32 | 61 | 150 | 22 | 28 | 10,5 | М20 | 1217K 22217K | H217 H317 |
| Разъемный корпус SNL507-606 TECHNIX | SNL507606TECHNIX | TECHNIX | 30 | 2,107 | Чугун | 54,5 | 46,5 | 150 | 50 | SR72X8.5 SR72X5.5 | 5 | 82 | 93 | 185 | 52 | 22 | 34 | 72 | 15 | 20 | 7,5 | М10 | 1207K 22207K | H207 H307 |
| Разъемный корпус SNL520-617 TECHNIX | SNL520617TECHNIX | TECHNIX | 90 | 17,6 | Чугун | 147,5 | 137,5 | 320 | 112 | SR180X18 SR180X12 SR180X9.7 | 6 | 160 | 218 | 380 | 110 | 40 | 70 | 180 | 26 | 32 | 11,5 | М24 | 1220K 22220K 23220K | H220 H320 H2320 |
| Разъемный корпус SNL508-607 TECHNIX | SNL508607TECHNIX | TECHNIX | 35 | 3,33 | Чугун | 59,5 | 51,5 | 170 | 60 | SR80X10.5 SR80X8 |
5 | 85 | 108 | 205 | 60 | 25 | 39 | 80 | 15 | 20 | 7,5 | М12 | 1208K 22208K | H208 H308 |
| Разъемный корпус SNL518-615 TECHNIX | SNL518615TECHNIX | TECHNIX | 80 | 9,5 | Чугун | 111 | 102,5 | 290 | 100 | SR160X17.5 SR160X12.5 SR160X12.5 | 5 | 140 | 194 | 345 | 100 | 35 | 365 | 160 | 22 | 28 | 10,5 | М20 | 1218K 22218K 23218K | H218 H318 H2318 |
| Разъемный корпус SNL526 TECHNIX | SNL526TECHNIX | TECHNIX | 115 | 33 | Чугун | 177,5 | 167,5 | 380 | 150 | SR230X13 SR230X10 | 6 | 190 | 290 | 445 | 130 | 50 | 90 | 230 | 28 | 35 | 13 | М24 | 1226K 23226K | H3126 H2326 |
| Разъемный корпус SNL528 TECHNIX | SNL528TECHNIX | TECHNIX | 125 | 40 | Чугун | 187,5 | 177,5 | 420 | 150 | SR250X15 SR250X10 | 6 | 205 | 302 | 500 | 150 | 50 | 98 | 250 | 35 | 42 | 13 | М30 | 1228K 23228K | H3128 H2328 |
| Разъемный корпус SNL530 TECHNIX | SNL530TECHNIX | TECHNIX | 135 | 49 | Чугун | 202,5 | 192,5 | 450 | 160 | SR270X16.5 SR270X10 | 6 | 220 | 33 | 530 | 160 | 60 | 106 | 270 | 35 | 42 | 13,5 | М30 | 1230K 23230K | H3130 H2330 |
| Разъемный корпус SNL524-620 TECHNIX | SNL524620TECHNIX | TECHNIX | 110 | 26,2 | Чугун | 167,5 | 157,5 | 350 | 140 | SR215X14 SR215X10 | 6 | 185 | 271 | 410 | 120 | 45 | 86 | 215 | 26 | 32 | 11,5 | М24 | 1224K 23224K | H3124 H2324 |
| Разъемный корпус SNL532 TECHNIX | SNL532TECHNIX | TECHNIX | 140 | 55 | Чугун | 212,5 | 202,5 | 470 | 170 | SR290X17 SR290X10 | 6 | 235 | 344 | 550 | 160 | 60 | 114 | 290 | 35 | 42 | 13,5 | М30 | 1232K 23232K | H3132 H2332 |
| Разъемный корпус SNL510-608 TECHNIX | SNL510608TECHNIX | TECHNIX | 45 | 3,52 | Чугун | 70,5 | 62 | 170 | 60 | SR90X10.5 SR90X9 | 5 | 90 | 113 | 205 | 60 | 25 | 41 | 90 | 15 | 20 | 8,5 | М12 | 1210K 22210K | H210 H310 |

































