TBR
Уточняйте наличие и стоимость продукции по телефону: +7 (473) 239-12-33.
Приносим извинения за неудобства.


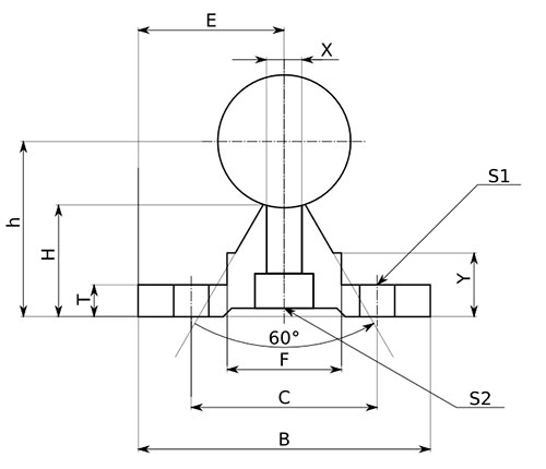
| Наименование | C, мм | Артикул | Производитель | B, мм | T, мм | Тип | P, мм | Вес, кг | S1, мм | L max, мм | E, мм | h, мм | H, мм | F, мм | N, мм |
|---|---|---|---|---|---|---|---|---|---|---|---|---|---|---|---|
| Вал прецизионный с опорой TBR16 L=400 см TECHNIX | 37 | TBR16L400TECHNIX | TECHNIX | 50 | 6 | TBR | 150 | 7,2 | 5,5 | 4000 | 25 | 22,14 | 40 | 18,71 | 20 |
| Вал прецизионный с опорой TBR20 L=400 см TECHNIX | 40 | TBR20L400TECHNIX | TECHNIX | 55 | 8 | TBR | 150 | 12 | 5,5 | 4000 | 27,5 | 29,01 | 50 | 18,96 | 20 |
| Вал прецизионный с опорой TBR25 L=400 см TECHNIX | 45 | TBR25L400TECHNIX | TECHNIX | 65 | 10 | TBR | 200 | 24 | 6,6 | 4000 | 32,5 | 31,97 | 60 | 20 | 25 |
| Вал прецизионный с опорой TBR30 L=400 см TECHNIX | 55 | TBR30L400TECHNIX | TECHNIX | 75 | 12 | TBR | 200 | 36 | 6,6 | 4000 | 37,5 | 36,52 | 70 | 22,96 | 25 |
Прецизионный вал с опорой выполнен с соблюдением строгих требований качеств и применением различных видов высокоточной обработки. По всей длине вала идет опора с радиальными отверстиями для монтажа. Поверхность вала подвергается индукционной термической обработке. Чем больше глубина закалки, тем прочнее вал.
Это направляющие круглого сечения высокой точности для линейных подшипников. Рабочая поверхность обработана ТВЧ до HRC 55-60. Для повышения жесткости каждый вал поставляется с опорой на всю длину вала.
































