Главная → Каталог → Системы линейного перемещения → Линейные подшипники → Линейные подшипники в сборе с корпусом → SCS-UU
SCS-UU
Уточняйте наличие и стоимость продукции по телефону: +7 (473) 239-12-33.
Приносим извинения за неудобства.
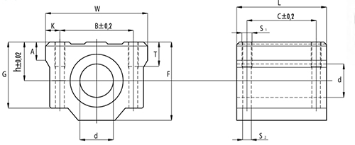
| Наименование | C, мм | Артикул | Производитель | B, мм | T, мм | Тип | A, мм | Вес, кг | S1, мм | S2, мм | h, мм | F, мм | Длина L, мм | W, мм | G, мм | Внутренний диаметр d, мм | K, мм | Динамическая нагрузка C, Н | Статическая нагрузка C0, Н |
|---|---|---|---|---|---|---|---|---|---|---|---|---|---|---|---|---|---|---|---|
| Линейный подшипник в сборе с корпусом SCS25-UU (SC25UU) TECHNIX | 50 | SCS25UUTECHNIX | TECHNIX | 54 | 12 | SCS-UU | 11 | 0,555 | М 8 | 6,8 | 26 | 51,5 | 67 | 76 | 42 | 25 | 11 | 980 | 1570 |
| Линейный подшипник в сборе с корпусом SCS40-UU (SC40UU) TECHNIX | 60 | SCS40UUTECHNIX | TECHNIX | 80 | 20 | SCS-UU | 11 | 1,6 | М 10 | 8,6 | 40 | 78 | 90 | 102 | 62 | 40 | 11 | 2160 | 4020 |
| Линейный подшипник в сборе с корпусом SCS30-UU (SC30UU) TECHNIX | 58 | SCS30UUTECHNIX | TECHNIX | 58 | 18 | SCS-UU | 10 | 0,685 | М 8 | 6,8 | 30 | 59,5 | 72 | 78 | 49 | 30 | 10 | 1570 | 2740 |
| Линейный подшипник в сборе с корпусом SCS20-UU (SC20UU) TECHNIX | 40 | SCS20UUTECHNIX | TECHNIX | 40 | 11 | SCS-UU | 7 | 0,237 | М 6 | 5,2 | 21 | 41 | 50 | 54 | 35 | 20 | 7 | 882 | 1370 |
| Линейный подшипник в сборе с корпусом SCS12-UU (SC12UU) TECHNIX | 26 | SCS12UUTECHNIX | TECHNIX | 33 | 12 | SCS-UU | 8 | 0,112 | М 5 | 4,3 | 15 | 28 | 36 | 42 | 24 | 12 | 5,75 | 510 | 784 |
| Линейный подшипник в сборе с корпусом SCS10-UU (SC10UU) TECHNIX | 21 | SCS10UUTECHNIX | TECHNIX | 28 | 8 | SCS-UU | 6 | 0,092 | М 5 | 4,3 | 13 | 26 | 35 | 40 | 21 | 10 | 6 | 372 | 549 |
| Линейный подшипник в сборе с корпусом SCS16-UU (SC16UU) TECHNIX | 34 | SCS16UUTECHNIX | TECHNIX | 36 | 9 | SCS-UU | 7 | 0,189 | М 5 | 4,3 | 19 | 38,5 | 44 | 50 | 32,5 | 16 | 7 | 774 | 1180 |
| Линейный подшипник в сборе с корпусом SCS35-UU (SC35UU) TECHNIX | 60 | SCS35UUTECHNIX | TECHNIX | 70 | 18 | SCS-UU | 10 | 1,1 | М 8 | 6,8 | 34 | 66 | 80 | 90 | 54 | 35 | 10 | 1670 | 3140 |
| Линейный подшипник в сборе с корпусом SCS50-UU (SC50UU) TECHNIX | 80 | SCS50UUTECHNIX | TECHNIX | 100 | 25 | SCS-UU | 11 | 3,35 | М 10 | 8,6 | 52 | 102 | 110 | 122 | 80 | 50 | 11 | 3820 | 7940 |
Линейный подшипник в сборе с корпусом предназначен для линейного перемещения по прецизионному валу соответствующего диаметра. Конструкция подшипника повышает его надежность и ресурс. Изделие имеет малый температурный нагрев. Благодаря высокой плавности перемещения способно выдерживать большие нагрузки. Корпус сделан из алюминия.
Имеют по внутреннему диаметру канавки, заполненные шариками в качестве тел качения. Запрессовываются (по наружному диаметру) в корпус исполнительного механизма и вместе с ним перемещаются по валу. В сборе с опорами и валами составляют системы линейного перемещения.

































