Уточняйте наличие и стоимость продукции по телефону: +7 (473) 239-12-33.
Приносим извинения за неудобства.

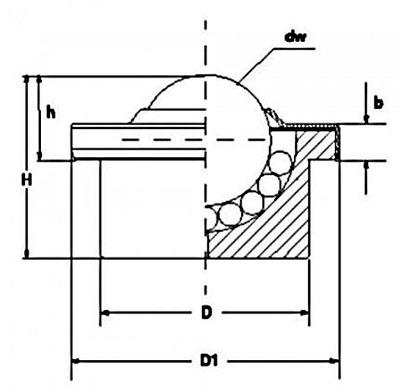
| Наименование | Артикул | Производитель | Тип | Вес, кг | h, мм | Диаметр шариков Dw, мм | Высота H, мм | D, мм | b, мм | D1, мм |
|---|---|---|---|---|---|---|---|---|---|---|
| Шариковая опора SP 25 B-D-TN TECHNIX | SP25BDTNTECHNIX | TECHNIX | BD | 0,132 | 14 | 25 | 30,2 | 38 | 5,5 | 44.6 |
































